Questo tutorial vi guiderà nella creazione del programmatore LPT (sarà necessaria una porta parallela sul vostro PC) e conseguente programmazione via software.
Hardware
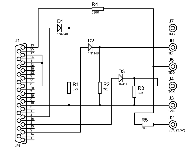
Per chi non fosse troppo ferrato con gli schemi elettronici ecco un paio di immagini che spiegano praticamente tutto sul come realizzare un programmatore parallelo per XC2C64A CoolRunner-II CPLD.
Per realizzare il programmatore identico a quello di questa guida avrete bisogno di:
-cavo parallelo maschio maschio ([URL="http://www.myposprinter.com/images/25m_to_25m_cable.jpg"]clicca qui per un' immagine[/URL])
-porta parallela femmina ([URL="http://media.digikey.com/photos/Norcomp%20Photos/NORCOMP%20INC-171-037-202-011.jpg"]clicca qui per un' immagine[/URL])
-millefori
-4 x Resistenza 3.3K ohm
-1 x Resistenza 220 ohm
-3 x diodo 1N4148 (smd o non)
-pinheader maschio ([URL="http://www.tmbelectronics.com/images/Product_Images/PCB-PH-40.jpg"]clicca qui per un' immagine[/URL])
-stagno, stagnatore, pazienza e capacità di stagnare...
Seguite le immagini, si spiegano praticamente da sole, potete ignorare la parte del 1086-33, è una mia aggiunta per avere la 3,3 volt con una connesione USB ma potete prelevarla dal CK come scritto nella [URL="http://www.consoleopen.com/forum/tutorial-jtag-xbox360/534-tutorial-reset-glitch-jtag-hack-su-xbox-360-slim-e-fat.html"]guida del reset glitch[/URL]. Un piccolo suggerimento, nella maggior parte delle porte LPT femmine c'è scritto il numero del pin direttamente sulla plastica frontale, dateci un occhio per orientarvi velocemente!
Lo schema da seguire era questo nel caso lo vogliate consultare:
Il risultato finale sarà simile e vi permetterà di giostrare la programmazione senza imboscarvi dietro al pc:
L'ultimo passaggio hardware è alimentare la board con la 3.3 volt, potreste prelevarla dal vostro CK:
Potete collegare la 3,3 volt direttamente al punto VCC del programmatore sopra descritto (ed obbligatoriamente anche GND sempre al punto GND) oppure stgnare i fili ad un socket da utilizzare in fase di programmazione:
Software
Fortunatamente per noi tutti, Impact, il tool della Xlinx dalle dimensioni esorbitanti, non è più necessario alla programmazione dei CPLD, è infatti disponibile un semplice programma, lo trovate al seguente link con incluso il file di configurazione falcon:
[URL="http://www.consoleopen.com/forum/images/tutorial/Xbox360/Glith_Hack/x360Glitchip-Prog-v1.0+falcon.svf.zip"]360Prog V1.0[/URL]
Una volta installato ed avviato il programma assicuriamoci di aver selezionato "I use a JTAG LPT Cable", nell' icona a fianco potremo impostare il "port number" della nostra parallela:
Di base è la porta 0x378, nel mio caso per cui non ho dovuto cambiare nulla, nel caso invece abbiate problemi ad individuare tale informazione...
![]()
Colleghiamo il CPLD al nostro programmatore LPT homebrew:
Clichiamo su Connect, il programma ci segnalerà nella parte bassa il modello della nostra Xlinx a conferma dell'avvenuta connessione,
selezioniamo il modello della scheda madre che dobbiamo "glitchare" (nel caso sia falcon leggete più sotto):
Dopo aver pigiato flash avremo conferma della riuscita:
Nel caso abbiate una falcon clickate su [...], potrete selezionare il file falcon.svf:
Clickate Flash, la procedura partirà normalmente e si concluderà comunque con successo:
Si ringrazia Ciariello per aver fornito molto gentilmente il file falcon.svf per coprire anche le schede madri Falcon


16Likes
LinkBack URL
About LinkBacks
![[Tutorial RGH]Costruzione programmatore e programmazione XC2C64A CoolRunner-II CPLD-prog_front.jpg](http://www.consoleopen.com/forum/attachments/tutorial-programmatori-rgh-ed-utility-per-remap-ed-affini/661d1315514126t-tutorial-rgh-costruzione-programmatore-e-programmazione-xc2c64a-coolrunner-ii-cpld-prog_front.jpg)
![[Tutorial RGH]Costruzione programmatore e programmazione XC2C64A CoolRunner-II CPLD-prog_back.jpg](http://www.consoleopen.com/forum/attachments/tutorial-programmatori-rgh-ed-utility-per-remap-ed-affini/592d1314890964t-tutorial-rgh-costruzione-programmatore-e-programmazione-xc2c64a-coolrunner-ii-cpld-prog_back.jpg)

![[Tutorial RGH]Costruzione programmatore e programmazione XC2C64A CoolRunner-II CPLD-prog_overview1.jpg](http://www.consoleopen.com/forum/attachments/tutorial-programmatori-rgh-ed-utility-per-remap-ed-affini/594d1314891712t-tutorial-rgh-costruzione-programmatore-e-programmazione-xc2c64a-coolrunner-ii-cpld-prog_overview1.jpg)



![[Tutorial RGH]Costruzione programmatore e programmazione XC2C64A CoolRunner-II CPLD-debug.jpg](http://www.consoleopen.com/forum/attachments/tutorial-programmatori-rgh-ed-utility-per-remap-ed-affini/865d1317125897t-tutorial-rgh-costruzione-programmatore-e-programmazione-xc2c64a-coolrunner-ii-cpld-debug.jpg)







Rispondi Citando

Segnalibri