www.dedoshop.com
Pagina 5 di 5 PrimaPrima 12345
Risultati da 81 a 95 di 95
Like Tree9Likes

Discussione: lettura nand corona

  1. #81
    Vip Member L'avatar di nexus
    Data Registrazione
    Feb 2012
    Località
    Basilicata (MT)
    Messaggi
    1,947
    fai sta prova....stacca la scheda madre dalla scocca metallica e vedi se fà lo stesso difetto....

  2. #82
    Open Member
    Data Registrazione
    Aug 2011
    Messaggi
    792
    senza scocca e peggio lo fa di continuo io spengo e lei si accende....con la scocca 10/15 minuti
    misa che i spiriti so piu di 1
    Ultima modifica di adriano221169; 25-08-12 alle 13: 00

  3. #83
    Vip Member L'avatar di nexus
    Data Registrazione
    Feb 2012
    Località
    Basilicata (MT)
    Messaggi
    1,947
    hahahahahha ma accendi il modulo come....frontalino nero o con la mano...?

  4. #84
    Vip Member L'avatar di gigigadda
    Data Registrazione
    Jul 2011
    Località
    Molfetta
    Messaggi
    1,430
    Citazione Originariamente Scritto da adriano221169 Visualizza Messaggio
    ragazzi come posso risolvere il problema dell'accensione ...la console si accende da sola e si apre il carello!!
    il problema rimane anche mettendo il firmware originale!!
    Ho provato anche a togliere il faceplate ma lo fa uguale
    ci avevo visto giusto allora...
    comunque porta i sintomi di quelle console usate come connectivity kit non è che è fottuto il southbridge?
    Ultima modifica di gigigadda; 25-08-12 alle 13: 19

  5. #85
    Vip Member L'avatar di kazoom
    Data Registrazione
    Sep 2011
    Messaggi
    1,251
    Citazione Originariamente Scritto da adriano221169 Visualizza Messaggio
    tecnicamente come avviene l'accensione di queste console?
    sapete spiegarmelo?


    Il problema del carrello che esce in continuazione è noto.. Trovi molti casi in merito se googli.

    Dovresti per prima cosa vedere se hai i 3,3 v sul pin 4 del connettore di alimentazione, o meglio se hai la variabile 0v / 3,3V a seconda di quando premi il pulsante eject.

    lettura nand corona-dvdcable.gif

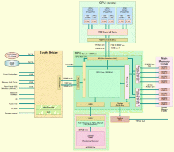
    Il processo di accensione passa tramite il SouthBridge che si occupa di gestire in gran parte tutte le periferiche di Input/Output relazionandosi con una parte si file contenuto nella Nand , il famoso SMC.bin.

    lo schema è riferito ad un Hardware Phat , ma è similare a quello Slim che integra la GPU nella Cpu

    lettura nand corona-xbox_architecture_large.gif


    Quindi ricapitolando: se non hai variazioni al pin 4 premendo il pulsante Eject molto probabilmente il problema è all'interno del SB o meglio di parte della sua circuitistica.
    Se invece hai variazione di tensione allora potresti avere delle resistenze sulla schedina del lettore saltate.
    Ultima modifica di kazoom; 25-08-12 alle 18: 07
    http://www.youtube.com/user/breakingitaly


    notizie del mondo a scazzo.

  6. #86
    Open Member
    Data Registrazione
    Aug 2011
    Messaggi
    792
    Citazione Originariamente Scritto da kazoom Visualizza Messaggio
    Il problema del carrello che esce in continuazione è noto.. Trovi molti casi in merito se googli.

    Dovresti per prima cosa vedere se hai i 3,3 v sul pin 4 del connettore di alimentazione, o meglio se hai la variabile 0v / 3,3V a seconda di quando premi il pulsante eject.

    Clicca l'immagine per ingrandirla. 

Nome: dvdcable.gif 
Visualizzazioni: 12 
Dimensione: 21.1 KB 
ID: 5276

    Il processo di accensione passa tramite il SouthBridge che si occupa di gestire in gran parte tutte le periferiche di Input/Output relazionandosi con una parte si file contenuto nella Nand , il famoso SMC.bin.

    lo schema è riferito ad un Hardware Phat , ma è similare a quello Slim che integra la GPU nella Cpu

    Clicca l'immagine per ingrandirla. 

Nome: Xbox_Architecture_large.gif 
Visualizzazioni: 19 
Dimensione: 56.9 KB 
ID: 5275


    Quindi ricapitolando: se non hai variazioni al pin 4 premendo il pulsante Eject molto probabilmente il problema è all'interno del SB o meglio di parte della sua circuitistica.
    Se invece hai variazione di tensione allora potresti avere delle resistenze sulla schedina del lettore saltate.
    Spiegazione molto chiara grazie..
    Nel mio caso ho qualche dubbio che possa essere il SouthBridge inanzitutto non avviene in maniera sistematica sembra essere casuale avvolte 10 minuti avvolte 30 minuti poi consecutivamente ,inoltre ho notato non lo so se potrebbe essere possibile muovendo o toccando lo storm parte la console se sposto un filo parte avvolte sembra come se gli arrivasse via aria un imput nello stesso tempo ce da dire che la console quando si accende in questo modo si apre sempre carrello ....

  7. #87
    Open Member
    Data Registrazione
    Aug 2011
    Messaggi
    792
    Citazione Originariamente Scritto da adriano221169 Visualizza Messaggio
    Spiegazione molto chiara grazie..
    Nel mio caso ho qualche dubbio che possa essere il SouthBridge inanzitutto non avviene in maniera sistematica sembra essere casuale avvolte 10 minuti avvolte 30 minuti poi consecutivamente ,inoltre ho notato non lo so se potrebbe essere possibile muovendo o toccando lo storm parte la console se sposto un filo parte avvolte sembra come se gli arrivasse via aria un imput nello stesso tempo ce da dire che la console quando si accende in questo modo si apre sempre carrello ....
    ho la variazione 0 - 3,3 v quando accendo da tasto eject....uso il tester sul pin 4 e gnd dalla scocca!!
    non ho capito la affermazione potresti avere delle resistenze sulla schedina del lettore saltate il problema si presenta anche senza lettore quindi e da escludere il lettore
    Ultima modifica di adriano221169; 25-08-12 alle 21: 56

  8. #88
    Vip Member L'avatar di kazoom
    Data Registrazione
    Sep 2011
    Messaggi
    1,251
    Citazione Originariamente Scritto da adriano221169 Visualizza Messaggio
    ho la variazione 0 - 3,3 v quando accendo da tasto eject....uso il tester sul pin 4 e gnd dalla scocca!!
    non ho capito la affermazione potresti avere delle resistenze sulla schedina del lettore saltate il problema si presenta anche senza lettore quindi e da escludere il lettore

    se il problema è solo del lettore allora va controllato anche quello, ma mi pare che c'è dell'altro non solo il carrello che esce.... prova a cambiare il modulo rf ....

    analizzando la sequenza di avvio di una xbox appena dai l'input di accensione si alimentano in sequenza in seguenti I/O:

    1) DVD ROM
    2) porte usb (LAN)
    3) uscita video (vari ID - VGA -Component HDMI ..)*
    4) HD

    il circuito di accensione passa per forza per il SB e se ne ha la conferma perchè quando "fulmini" una console che non si avvia più (ci sono vari 3d qui sul forum) senti sempre il suono di avvio . Infatti il modulo RF ha una sua alimentazione separata che fa suonare lo speaker e manda un input al SB che gestisce poi l'avvio attraverso l'SMC...


    * ho una jasper RGH che si avvia solo in component. Con cavo HDMI da 3led rossi e con cavo VGA/PC schermo nero...


    Sotto la scheda hai "caccole di stagno"? ho visto che hai fatto parecchie variazioni di installazione... hai pulito tutto con Trielina/alcool isopropilico?
    http://www.youtube.com/user/breakingitaly


    notizie del mondo a scazzo.

  9. #89
    Open Member
    Data Registrazione
    Aug 2011
    Messaggi
    792
    [QUOTE=kazoom;78606]se il problema è solo del lettore allora va controllato anche quello, ma mi pare che c'è dell'altro non solo il carrello che esce.... prova a cambiare il modulo rf ....

    mi permetto di escludere il lettore perchè la console si accende e parte lo xell anche senza lettore ....per questo escludo il lettore!!

    La console quando viene lasciata spenta, ma alimentata, improvissamente si apre il carrello e parte rimanendo lo schermo nero (xell corona)questo lo fa dopo 10 minuti oppure 30 minuti non e sistematico

    Appena possibile proverò a cambiare il modulo RF
    grazie in ogni caso della tua collaborazione e della tua preparazione tecnica davvero elevata...
    buona domenica a tutti

  10. #90
    Open Member
    Data Registrazione
    Aug 2011
    Messaggi
    792
    non e il modulo RF.... sostituito con un'altro stesso problema!!!
    ragazzi potrebbe essere qualche resistenza cosa posso controllare ho il tester ...

  11. #91
    Newser L'avatar di Tommino81
    Data Registrazione
    Jul 2011
    Località
    RICCIONE
    Messaggi
    5,935
    prova senza frontalino

  12. #92
    Newser L'avatar di Tommino81
    Data Registrazione
    Jul 2011
    Località
    RICCIONE
    Messaggi
    5,935
    scusa adry non avevo visto che avevi già provato senza frontalino

  13. #93
    Open Member
    Data Registrazione
    Aug 2011
    Messaggi
    792
    tranquillo nessun problema.... ho provato a mettere il modulo RF e il faceplace su un'altra console funziona regolarmente !!!
    dipende dalla mobo sara qualche resistenza forse danneggiata non vedo residui niente sulla mobo aspetto magari qualcuno in grado di dirmi cosa controllare

  14. #94
    Open Member
    Data Registrazione
    Aug 2011
    Messaggi
    792
    x Kazoom

    Infatti il modulo RF ha una sua alimentazione separata che fa suonare lo speaker e manda un input al SB che gestisce poi l'avvio attraverso l'SMC...


    ......riesci a indicarmi il percorso sulla mobo dell'alimentazione che fa suonare lo speaker?

  15. #95
    Open Member
    Data Registrazione
    Aug 2011
    Messaggi
    792
    ragazzi non mi abbandonate....

Pagina 5 di 5 PrimaPrima 12345

Segnalibri

Permessi di Scrittura

  • Tu non puoi inviare nuove discussioni
  • Tu non puoi inviare risposte
  • Tu non puoi inviare allegati
  • Tu non puoi modificare i tuoi messaggi
  •  

realizzazione siti internet ed e-commerce mugello