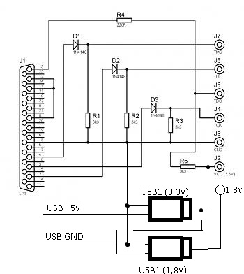
Circuito di alimentazione, avente in uscita 1,8v e 3,3v per la prog. dei CPLD(xc2c64)
TUTORIAL PER LA REALIZZAZIONE DI UN CIRCUITO DI ALIMENTAZIONE, AVENTE IN USCITA 1,8V E 3,3V PER LA PROGRAMMAZIONE DEI CPLD (xc2c64a)
Ciao ragazzi, allora oggi mi sono cimentato nel realizzare un piccolo circuito elettronico, che il suo scopo è quello di alimentare i nostri glitchip (fatti in casa o comprati) con delle tensioni costanti in uscita (1.8V e 3.3V)tramite la porta USB dove in uscita abbiamo 5V. Mi è venuto in mente di realizzare questo circuito, per chi, non volesse alimentarlo da console e programmarlo a parte (credo che sia la miglior cosa).
Andiamo a vedere il materiale:
-1 Basetta millefori (io l'ho ritagliata 3X3 CM)
-Cavo usb 2.0 maschio
-un integrato LM 317
-un diodo led ( io lo ho preso blu :) )
-1 Resistenza da 390 ohm
-1 Resistenza da 220 ohm
-1 Resistenza da 120 ohm
Ora passiamo allo schema per la realizzazione
A lavoro finito avremo un kit del genere. Con il tester ho misurato 1,8 volt, che è stato ricavato dal ADJ dell’LM317. Mentre la Vout dell’integrato è pari a 3.3V....di fatti nell’immagine qui sopra,il chip è alimentato solo a 3.3V, la 1.8V è esclusa.