buongiorno ragazzi...
ho combinato na fesseria e spero col vostro aiuto di riuscire a recuperare questo cellulare
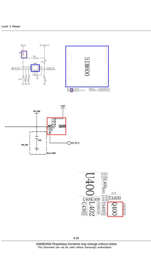
dissaldando il lettore sim del gt-s6500 mi sono tirato una piazzola (la prima in basso a sinistra segnata in rosso) ma giustamente anche se metto stagno ormai non fa più contatto.
sapreste dirmi dove posso andare a ponticellare ?
grazie in anticipo per l'aiuto :-)
![]()


1Likes
LinkBack URL
About LinkBacks




Rispondi Citando









Segnalibri