www.dedoshop.com
Pagina 5 di 6 PrimaPrima 123456 UltimaUltima
Risultati da 81 a 100 di 110
Like Tree15Likes

Discussione: problema con amplificatore da auto

  1. #81
    Open Staff L'avatar di X-ray
    Data Registrazione
    Aug 2011
    Località
    Calabria/Cosenza
    Messaggi
    2,628
    cmq insieme all'integrato cambia anche C339-C340-C331-C332-C333-C335-C336-C337 ,ora non ricordo quali hai già cambiato, cmq sostituisci gli elettrolitici di quella zona prima di riaccendere con l'integrato nuovo
    .

  2. #82
    Regular Member L'avatar di giulius88
    Data Registrazione
    Apr 2014
    Messaggi
    103
    li ho cambiati tutti tranne C339 e C340...esteticamente sembrano ok ma alla fine cambiamoli...male non fa

    ci aggiorniamo alla prossima settimana e speriamo di aver risolto

    PS...i condensatori C339 e C340 li ho sostituiti...l'integrato lo devo ordinare speriamo arrivi presto...cmq vi avviso non appena lo sostituisco


    oggi è arrivato il componente...adesso aspetto che mi arrivino le punte per il saldatore da 2cm ed effettuo il cambio
    a breve il verdetto

    Nome: saldatore.jpg
Visite: 78
Dimensione: 327.3 KB

    integrato KA3525A sostituito ma i valori in uscita sono sempre uguali...8v IC307
    Ultima modifica di giulius88; 21-07-14 alle 14: 11

  3. #83
    Open Staff L'avatar di X-ray
    Data Registrazione
    Aug 2011
    Località
    Calabria/Cosenza
    Messaggi
    2,628
    misura le tensioni staccando C344,C3446,C348,C350
    .

  4. #84
    Open Member
    Data Registrazione
    Nov 2012
    Località
    Giugliano in Campania
    Messaggi
    663
    Ma a vuoto sono usciti i 15V?

  5. #85
    Regular Member L'avatar di giulius88
    Data Registrazione
    Apr 2014
    Messaggi
    103
    si scollegando un piedino...mentre staccando tutti i C non cambia nulla...sempre 8v

  6. #86
    Open Member
    Data Registrazione
    Nov 2012
    Località
    Giugliano in Campania
    Messaggi
    663
    Si esatto è quella la prova.
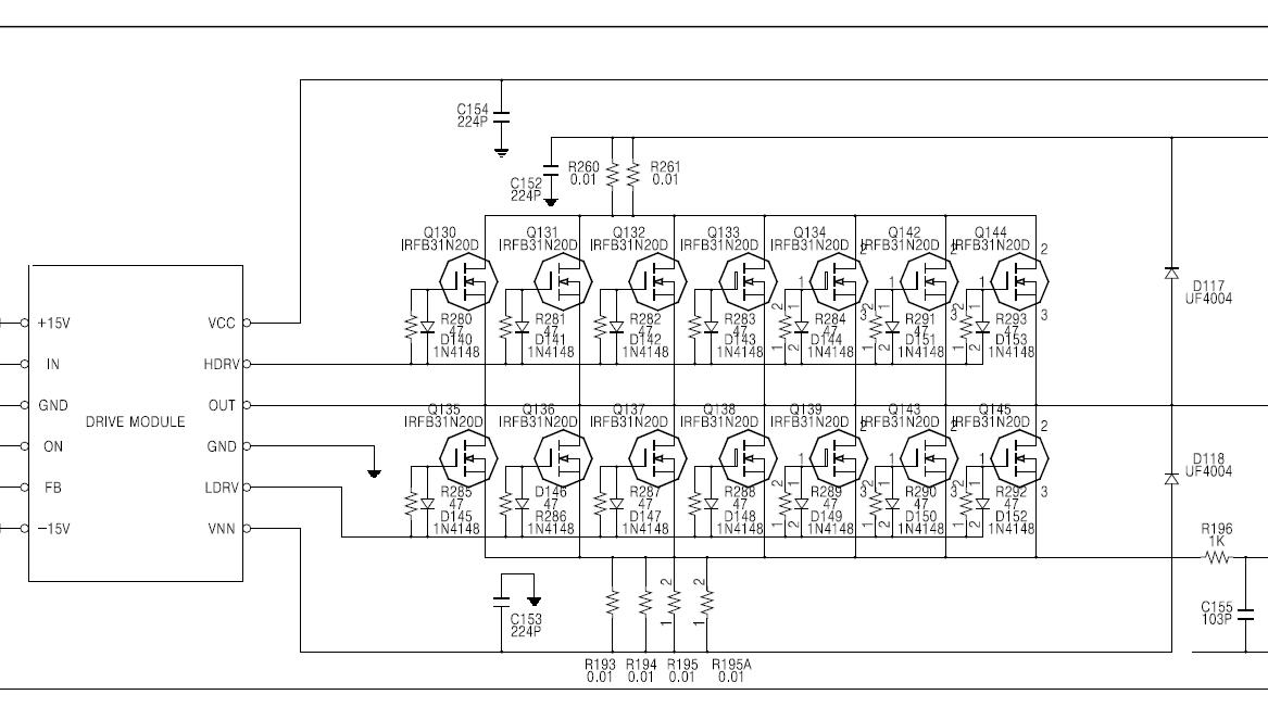
    Nome: Immagine.JPG
Visite: 384
Dimensione: 99.8 KB

    Controlla C153 e D118 e se ti è possibile i mosfet e i diodi della linea LDRV.

  7. #87
    Regular Member L'avatar di giulius88
    Data Registrazione
    Apr 2014
    Messaggi
    103
    in corto non ce niente di tutto ciò...

  8. #88
    Open Staff L'avatar di X-ray
    Data Registrazione
    Aug 2011
    Località
    Calabria/Cosenza
    Messaggi
    2,628
    purtroppo a distanza non saprei cosa altro dirti, peccato
    .

  9. #89
    Regular Member L'avatar di giulius88
    Data Registrazione
    Apr 2014
    Messaggi
    103
    e già...tempo e soldi buttati

  10. #90
    Open Member
    Data Registrazione
    Nov 2012
    Località
    Giugliano in Campania
    Messaggi
    663
    Non devi controllare se sono in corto perchè non lo sono ma vanno testati che è cosa ben diversa, il problema è che hai poca strumentazione e con questo tipo di problemi se non ci perdi una marea di tempo non puoi risolvere.
    Potresti, come prova visto che sono uguali, invertire i mosfet della linea HDRV con quelli della LDRV in questo modo se la tensione degli 8V si sposta sulla linea positiva è uno di quei 7 mosfet il problema.

  11. #91
    Regular Member L'avatar di giulius88
    Data Registrazione
    Apr 2014
    Messaggi
    103
    sto dissaldando i mosfet delle due linee...domanda scema: li dovrò invertire in questo modo giusto Q130-Q135, Q131-Q136, Q132-Q137, Q133-Q138, Q134-Q139, Q142-Q143, Q144-Q145
    scusate tanto ma meglio non combinare altre fesserie

  12. #92
    Open Staff L'avatar di X-ray
    Data Registrazione
    Aug 2011
    Località
    Calabria/Cosenza
    Messaggi
    2,628
    Guarda le sigle

    Inviato dal mio GT-I8150 utilizzando Tapatalk
    .

  13. #93
    Regular Member L'avatar di giulius88
    Data Registrazione
    Apr 2014
    Messaggi
    103
    prima di saldarli invertiti posso fare qualche verifica col tester? o monto direttamente?

    ps...tutti i mosfet hanno la stessa sigla: FB31N20D - IR411H - CF 8B tranne il Q134 che ha FB31N20D - IR417H - E4 BA
    Ultima modifica di giulius88; 23-07-14 alle 10: 17

  14. #94
    Open Member
    Data Registrazione
    Nov 2012
    Località
    Giugliano in Campania
    Messaggi
    663
    Montali direttamente col tester puoi provare poco al massimo prova prima di rimontare con il tester in provadiodi se per caso uno di loro presentasse valori differenti dagli altri e segnatelo che sarà il primo che sostituirai.
    Per la sigla è la prima a fare fede le altre di solito indicano il lotto di produzione o altro che a noi non interessa, probabilmente è già stato riparato precedentemente sostituendo appunto quel componente.

  15. #95
    Regular Member L'avatar di giulius88
    Data Registrazione
    Apr 2014
    Messaggi
    103
    il valore che da il tester su provadiodi è uguale per tutti ed è di 0,78 mettendo il puntale nero a centro e il rosso a destra...mentre nero a centro e rosso a sinistra nessun valore...saldo i mosfet invertiti allora

  16. #96
    Open Member
    Data Registrazione
    Nov 2012
    Località
    Giugliano in Campania
    Messaggi
    663
    Devi misurare con tutte le combinazioni anche con gli estremi.

  17. #97
    Regular Member L'avatar di giulius88
    Data Registrazione
    Apr 2014
    Messaggi
    103
    ho provato a invertire i puntali e a cambiare le scale sul tester ma niente...l'unica misura che esce è quel 0,78 di prima...è un brutto segno?

  18. #98
    Open Member
    Data Registrazione
    Nov 2012
    Località
    Giugliano in Campania
    Messaggi
    663
    Non è un brutto segno ma essendo un mosfet non si misura come se fosse un normale transistor PNP o NPN.

  19. #99
    Regular Member L'avatar di giulius88
    Data Registrazione
    Apr 2014
    Messaggi
    103
    ok allora procedo alla saldatura invertita

  20. #100
    Open Member
    Data Registrazione
    Nov 2012
    Località
    Giugliano in Campania
    Messaggi
    663
    Per conoscenza generale allego il datasheet del componente dove alle pagine 5,6 e 7 ci sono i circuiti di verifica dello stesso che ovviamente vanno misurati con un oscilloscopio che è l'unica via per essere certi al 100% del loro funzionamento.
    File Allegati File Allegati

Pagina 5 di 6 PrimaPrima 123456 UltimaUltima

Segnalibri

Permessi di Scrittura

  • Tu non puoi inviare nuove discussioni
  • Tu non puoi inviare risposte
  • Tu non puoi inviare allegati
  • Tu non puoi modificare i tuoi messaggi
  •  

realizzazione siti internet ed e-commerce mugello