Visualizzazione Stampabile
-
Programmare pic12f683
Salve a tutti e buona domenica...
Spiego subito il mio problema oltre la passione delle consol ho anche quella del modellismo dimamico
Siccome qui vedo un sacco di gente preparata che sa il fatto suo sull elettronica...
Dovrei costruire un circuito che mi accende dei led ..comandato dal mio radiocomando...in rete ho trovato qualche progetto che vorrei sviluppare....pero ho trovato ben poco su come costruire un pragrammatore per pic..in specifico il 12f683
Qualcuno puo aiutarmi?
Premesso che ho gia il file hex
Potreste darmi gentilmente uno schema con i relativi componenti da saldare?
-
Nessuno che puo indirizzarmi dei link o passarmi qualche progetto su come costruire un programmatore per pic?????????
-
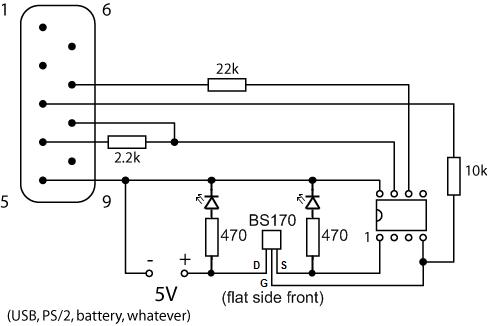
Allegati: 1
trovato online. ecco a te
Allegato 10240