Ho appena installato un Diligent programmato con il file Jasper.svf contenuto nel pacchetto di 360gcProg che riporta un timing 1.1 ....
La jasper boota a volte in 5 secondi, MA RARAMENTE, e molto più spesso tra 1'30'' e 2'.
Dopo i 2 minuti la spengo perchè è assurdo consegnare una consolle che si rende operativa dopo più di un minuto.
Volevo sapere dalla vostra esperienza su "chip minimali" quali bitstream usate e quali altri accorgimenti installativi.
Ho provato vari condensatori e cavetti, anche loro riposizionamento sotto la scheda, ma il tempo di boot rimane pressochè lo stesso.
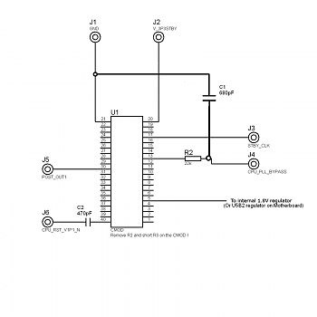
Allego foto dell'installazione.
![]()


1Likes
LinkBack URL
About LinkBacks




Rispondi Citando






Segnalibri